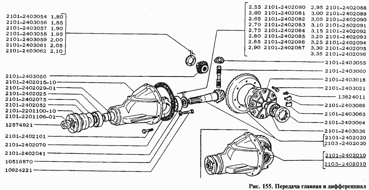
Передача главная и дифференциал
| Метка | Каталожный номер | Наименование детали | Наличие | |||||||||||||||||||
|---|---|---|---|---|---|---|---|---|---|---|---|---|---|---|---|---|---|---|---|---|---|---|
| 2101-2201106-01 | 2101-2201106-01 | Шайба | ||||||||||||||||||||
|
||||||||||||||||||||||
| 2101-2402029-01 | 2101-2402029-01 | Втулка распорная | ||||||||||||||||||||
|
||||||||||||||||||||||
| 2101-2402052 | 2101-2402052 | Сальник | ||||||||||||||||||||
|
||||||||||||||||||||||
| 2101-2402070 | 2101-2402070 | Прокладка картера редуктора | ||||||||||||||||||||
|
||||||||||||||||||||||
| 2101-2402075 | 2101-2402075 | Маслоотражатель | ||||||||||||||||||||
|
||||||||||||||||||||||

