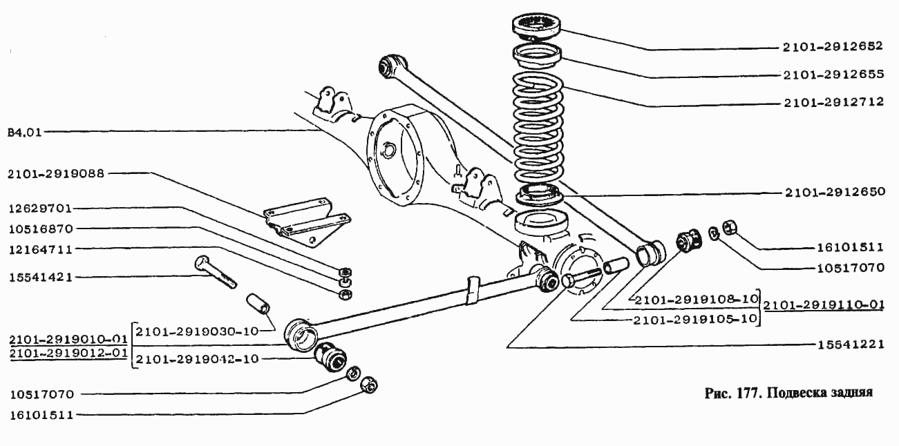
Подвеска задняя
| Метка | Каталожный номер | Наименование детали | Наличие | |||||||||||||||||||||||||||||||||||||
|---|---|---|---|---|---|---|---|---|---|---|---|---|---|---|---|---|---|---|---|---|---|---|---|---|---|---|---|---|---|---|---|---|---|---|---|---|---|---|---|---|
| 2101-2912652 | 2101-2912652 | Прокладка верхняя | ||||||||||||||||||||||||||||||||||||||
|
||||||||||||||||||||||||||||||||||||||||
| 2101-2912655 | 2101-2912655 | Чашка пружины верхняя | ||||||||||||||||||||||||||||||||||||||
|
||||||||||||||||||||||||||||||||||||||||
| 2101-2919088 | 2101-2919088 | Кронштейн продольной штанги | ||||||||||||||||||||||||||||||||||||||
|
||||||||||||||||||||||||||||||||||||||||
| 2101-2919105-10 | 2101-2919105-10 | Втулка распорная | ||||||||||||||||||||||||||||||||||||||
|
||||||||||||||||||||||||||||||||||||||||
| 2101-2919110-01 | 2101-2919110-01 | Штанга поперечная | ||||||||||||||||||||||||||||||||||||||
|
||||||||||||||||||||||||||||||||||||||||




