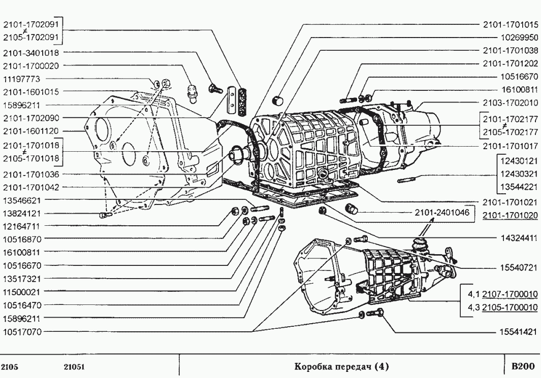
Коробка передач (4-х ступенчатая)
| Метка | Каталожный номер | Наименование детали | Наличие | |||||||||||||||||||
|---|---|---|---|---|---|---|---|---|---|---|---|---|---|---|---|---|---|---|---|---|---|---|
| 2101-1601120 | 2101-1601120 | Крышка картера сцепления | ||||||||||||||||||||
|
||||||||||||||||||||||
| 2101-1700020 | 2101-1700020 | Сапун | ||||||||||||||||||||
|
||||||||||||||||||||||
| 2101-1701020 | 2101-1701020 | Крышка нижняя | ||||||||||||||||||||
|
||||||||||||||||||||||
| 2101-1701021 | 2101-1701021 | Прокладка нижней крышки | ||||||||||||||||||||
|
||||||||||||||||||||||
| 2101-1701036 | 2101-1701036 | Крышка подшипника передняя | ||||||||||||||||||||
|
||||||||||||||||||||||
