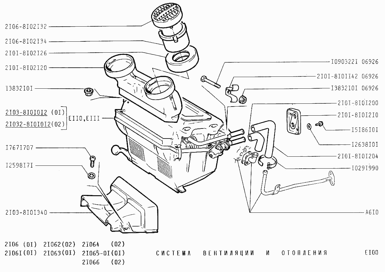
Система вентиляции и отопления
| Метка | Каталожный номер | Наименование детали | Наличие | |||||||||||||||||||
|---|---|---|---|---|---|---|---|---|---|---|---|---|---|---|---|---|---|---|---|---|---|---|
| 2101-8101200 | 2101-8101200 | Шланг отопителя подводящий | ||||||||||||||||||||
|
||||||||||||||||||||||
| 2101-8101204 | 2101-8101204 | Шланг отопителя отводящий | ||||||||||||||||||||
|
||||||||||||||||||||||
| 2101-8101210 | 2101-8101210 | Уплотнитель труб | ||||||||||||||||||||
|
||||||||||||||||||||||

