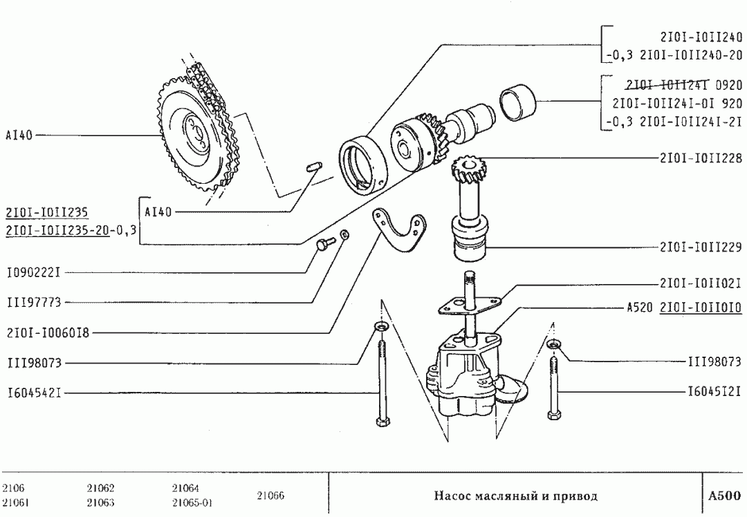
Насос масляный и привод
| Метка | Каталожный номер | Наименование детали | Наличие | |||||||||||||||||||||||||
|---|---|---|---|---|---|---|---|---|---|---|---|---|---|---|---|---|---|---|---|---|---|---|---|---|---|---|---|---|
| 2101-1006018 | 2101-1006018 | Фланец упорный распределительного вала | ||||||||||||||||||||||||||
|
||||||||||||||||||||||||||||
| 2101-1011010 | 2101-1011010 | Насос масляный | ||||||||||||||||||||||||||
|
||||||||||||||||||||||||||||
| 2101-1011021 | 2101-1011021 | Прокладка насоса | ||||||||||||||||||||||||||
|
||||||||||||||||||||||||||||
| 2101-1011228 | 2101-1011228 | Шестерня привода | ||||||||||||||||||||||||||
|
||||||||||||||||||||||||||||
| 2101-1011229 | 2101-1011229 | Втулка шестерни | ||||||||||||||||||||||||||
|
||||||||||||||||||||||||||||



