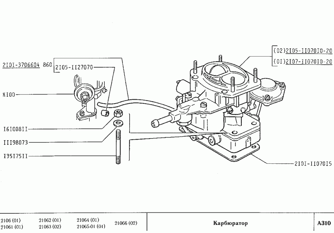
Карбюратор
| Метка | Каталожный номер | Наименование детали | Наличие | ||||||||||||||||||||||||||||
|---|---|---|---|---|---|---|---|---|---|---|---|---|---|---|---|---|---|---|---|---|---|---|---|---|---|---|---|---|---|---|---|
| 2101-1107015 | 2101-1107015 | Прокладка | |||||||||||||||||||||||||||||
|
|||||||||||||||||||||||||||||||
| 2105-1107010-20 | 2105-1107010-20 | Карбюратор | |||||||||||||||||||||||||||||
|
|||||||||||||||||||||||||||||||
| 2107-1107010-20 | 2107-1107010-20 | Карбюратор | |||||||||||||||||||||||||||||
|
|||||||||||||||||||||||||||||||



