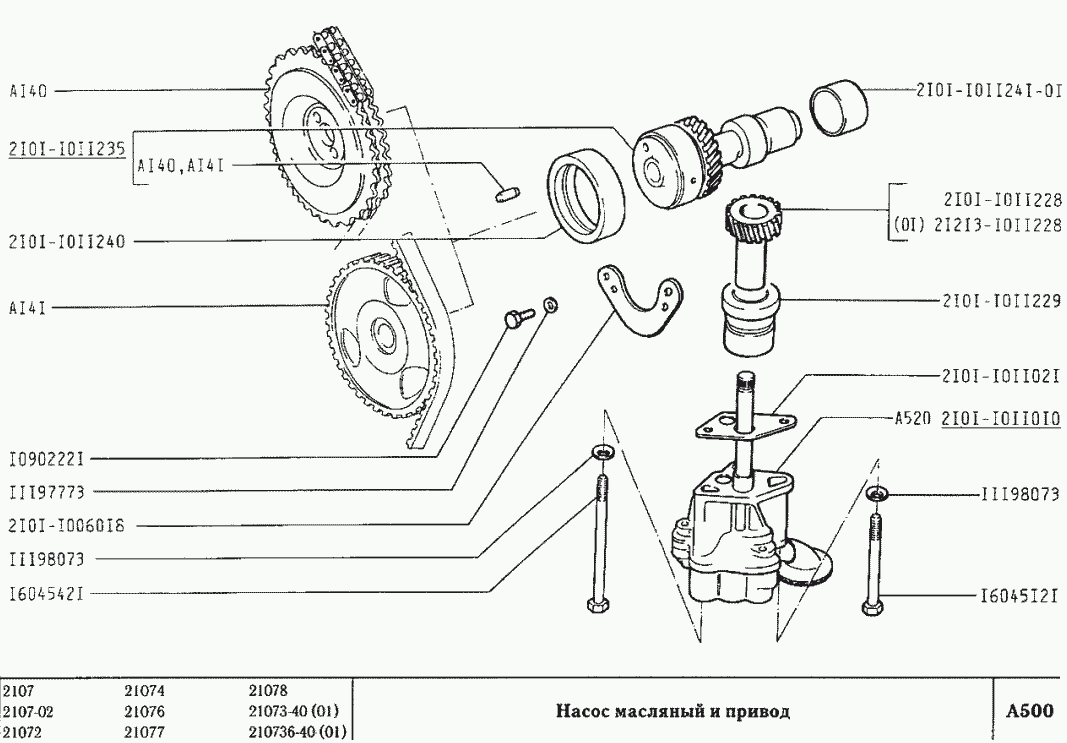
Насос масляный и привод
| Метка | Каталожный номер | Наименование детали | Наличие | ||||||||||||||||||||||||||||
|---|---|---|---|---|---|---|---|---|---|---|---|---|---|---|---|---|---|---|---|---|---|---|---|---|---|---|---|---|---|---|---|
| 2101-1006018 | 2101-1006018 | Фланец упорный распределительного вала | |||||||||||||||||||||||||||||
|
|||||||||||||||||||||||||||||||
| 2101-1011010 | 2101-1011010 | Насос масляный | |||||||||||||||||||||||||||||
|
|||||||||||||||||||||||||||||||
| 2101-1011021 | 2101-1011021 | Прокладка насоса | |||||||||||||||||||||||||||||
|
|||||||||||||||||||||||||||||||
| 2101-1011228 | 2101-1011228 | Шестерня привода | |||||||||||||||||||||||||||||
|
|||||||||||||||||||||||||||||||
| 2101-1011229 | 2101-1011229 | Втулка шестерни | |||||||||||||||||||||||||||||
|
|||||||||||||||||||||||||||||||
| 21213-1011228 | 21213-1011228 | Шестерня привода | |||||||||||||||||||||||||||||
|
|||||||||||||||||||||||||||||||


