Система вентиляции и отопления
| Метка | Каталожный номер | Наименование детали | Наличие | |||||||||||||||||||
|---|---|---|---|---|---|---|---|---|---|---|---|---|---|---|---|---|---|---|---|---|---|---|
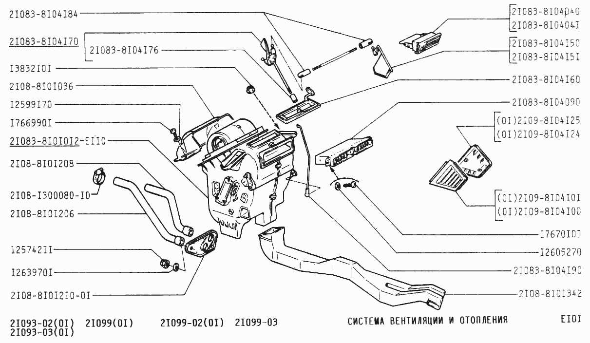
| 2108-8101036 | 2108-8101036 | Кожух защитный | ||||||||||||||||||||
|
||||||||||||||||||||||
| 2108-8101206 | 2108-8101206 | Шланг подводящий задний | ||||||||||||||||||||
|
||||||||||||||||||||||
| 2108-8101210-01 | 2108-8101210-01 | Уплотнитель труб | ||||||||||||||||||||
|
||||||||||||||||||||||
| 21083-8104040 | 21083-8104040 | Сопло боковое правое | ||||||||||||||||||||
|
||||||||||||||||||||||
| 21083-8104041 | 21083-8104041 | Сопло боковое левое | ||||||||||||||||||||
|
||||||||||||||||||||||
| 21083-8104090 | 21083-8104090 | Сопло центральное | ||||||||||||||||||||
|
||||||||||||||||||||||
