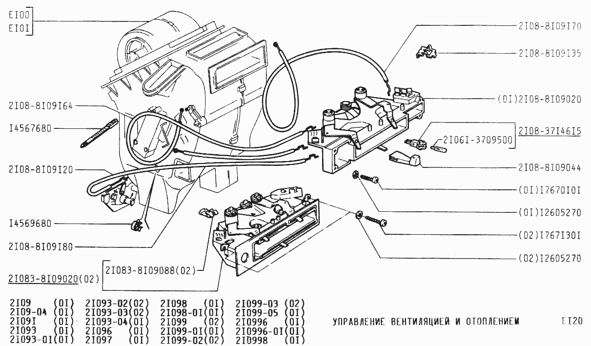
Управление вентиляцией и отоплением
| Метка | Каталожный номер | Наименование детали | Наличие | |||||||||||||||||||
|---|---|---|---|---|---|---|---|---|---|---|---|---|---|---|---|---|---|---|---|---|---|---|
| 2108-8109044 | 2108-8109044 | Рукоятка рычага | ||||||||||||||||||||
|
||||||||||||||||||||||
| 2108-8109135 | 2108-8109135 | Скоба крепления тяги | ||||||||||||||||||||
|
||||||||||||||||||||||
| 21083-8109020 | 21083-8109020 | Рычаги управления отопителем | ||||||||||||||||||||
|
||||||||||||||||||||||
