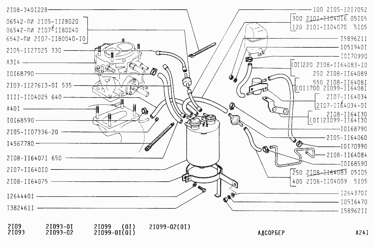
Адсорбер
| Метка | Каталожный номер | Наименование детали | Наличие | |||||||||||||||||
|---|---|---|---|---|---|---|---|---|---|---|---|---|---|---|---|---|---|---|---|---|
| 10168590 | 10168590 | Хомут | ||||||||||||||||||
|
||||||||||||||||||||
| 10168590 | 10168590 | Хомут | ||||||||||||||||||
|
||||||||||||||||||||
| 2105-1164060 | 2105-1164060 | Клапан бензобака | ||||||||||||||||||
|
||||||||||||||||||||
| 2107-1164034 | 2107-1164034 | Клапан гравитационный | ||||||||||||||||||
|
||||||||||||||||||||
| 2107-1164034-01 | 2107-1164034-01 | Клапан гравитационный | ||||||||||||||||||
|
||||||||||||||||||||

