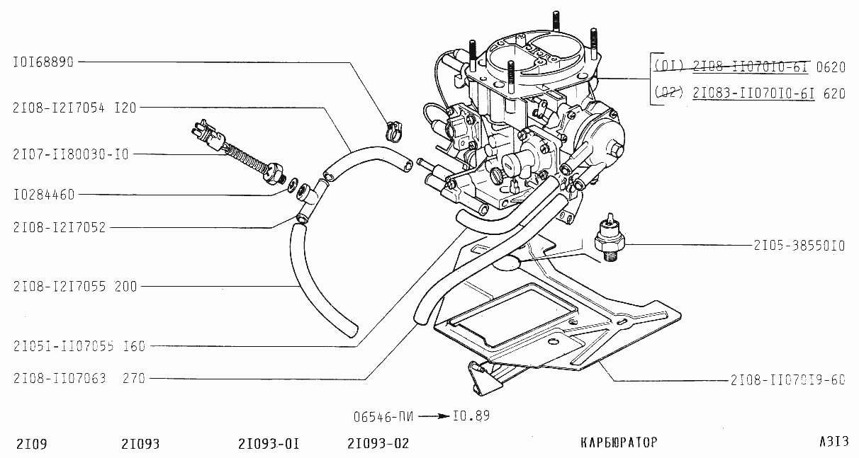
Карбюратор
| Метка | Каталожный номер | Наименование детали | Наличие | |||||||||||||||||||
|---|---|---|---|---|---|---|---|---|---|---|---|---|---|---|---|---|---|---|---|---|---|---|
| 2108-1107010-61 | 2108-1107010-61 | Карбюратор | ||||||||||||||||||||
|
||||||||||||||||||||||
| 21083-1107010-61 | 21083-1107010-61 | Карбюратор | ||||||||||||||||||||
|
||||||||||||||||||||||
