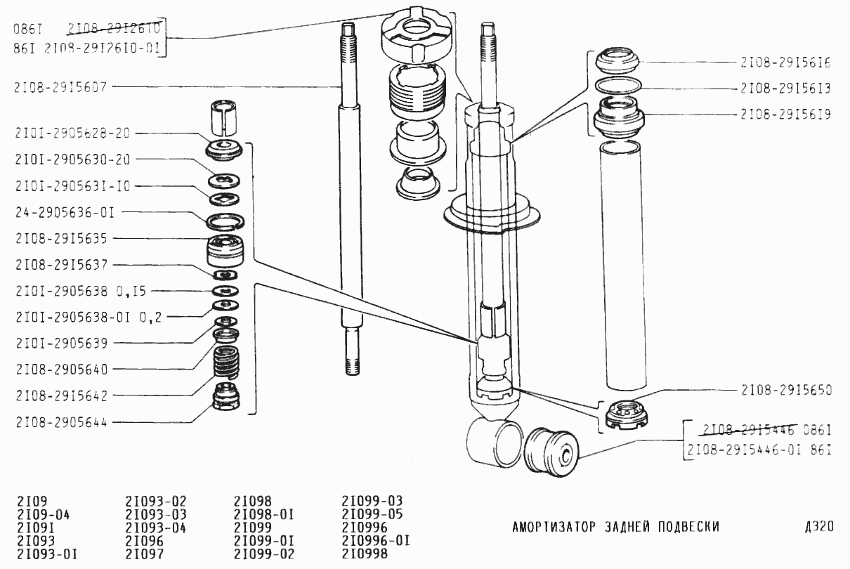
Амортизатор задней подвески
| Метка | Каталожный номер | Наименование детали | Наличие | |||||||||||||||||||||||||||||||||
|---|---|---|---|---|---|---|---|---|---|---|---|---|---|---|---|---|---|---|---|---|---|---|---|---|---|---|---|---|---|---|---|---|---|---|---|---|
| 2108-2915446 | 2108-2915446 | Втулка амортизатора | ||||||||||||||||||||||||||||||||||
|
||||||||||||||||||||||||||||||||||||
| 2108-2915446-01 | 2108-2915446-01 | Втулка амортизатора | ||||||||||||||||||||||||||||||||||
|
||||||||||||||||||||||||||||||||||||

