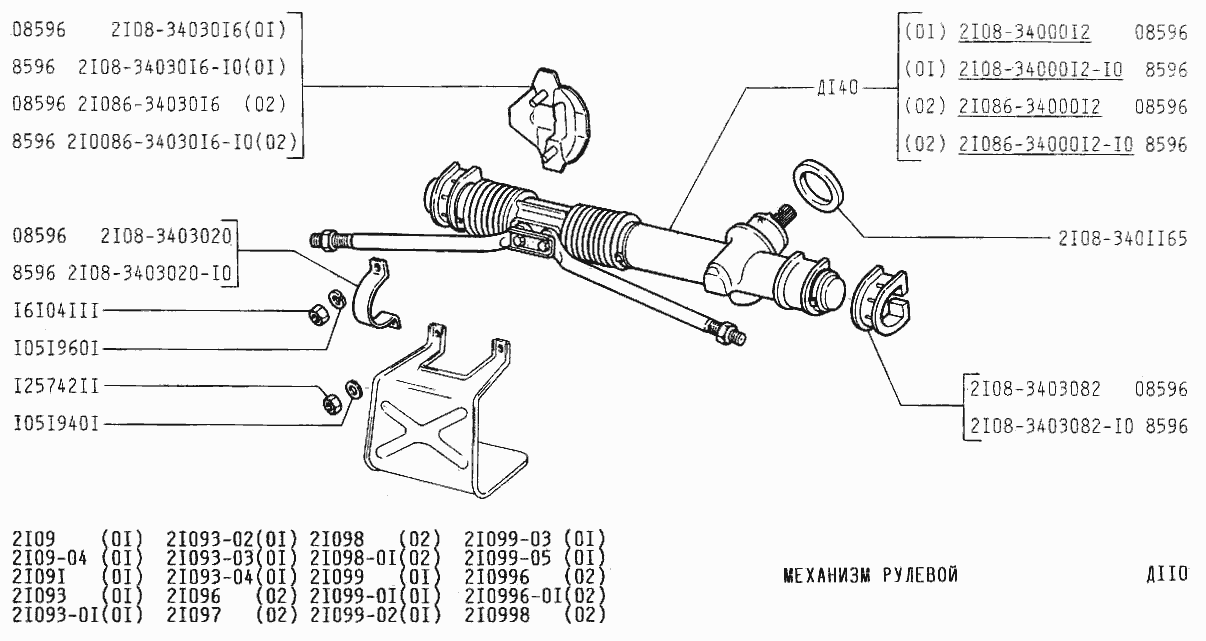
Механизм рулевой
| Метка | Каталожный номер | Наименование детали | Наличие | |||||||||||||||||||||||||
|---|---|---|---|---|---|---|---|---|---|---|---|---|---|---|---|---|---|---|---|---|---|---|---|---|---|---|---|---|
| 2108-3400012 | 2108-3400012 | Механизм рулевой | ||||||||||||||||||||||||||
|
||||||||||||||||||||||||||||
| 2108-3400012-10 | 2108-3400012-10 | Механизм рулевой | ||||||||||||||||||||||||||
|
||||||||||||||||||||||||||||
| 2108-3403020 | 2108-3403020 | Скоба | ||||||||||||||||||||||||||
|
||||||||||||||||||||||||||||
| 2108-3403020-10 | 2108-3403020-10 | Скоба | ||||||||||||||||||||||||||
|
||||||||||||||||||||||||||||
| 2108-3403082 | 2108-3403082 | Опора левая | ||||||||||||||||||||||||||
|
||||||||||||||||||||||||||||
| 2108-3403082-10 | 2108-3403082-10 | Опора левая | ||||||||||||||||||||||||||
|
||||||||||||||||||||||||||||

