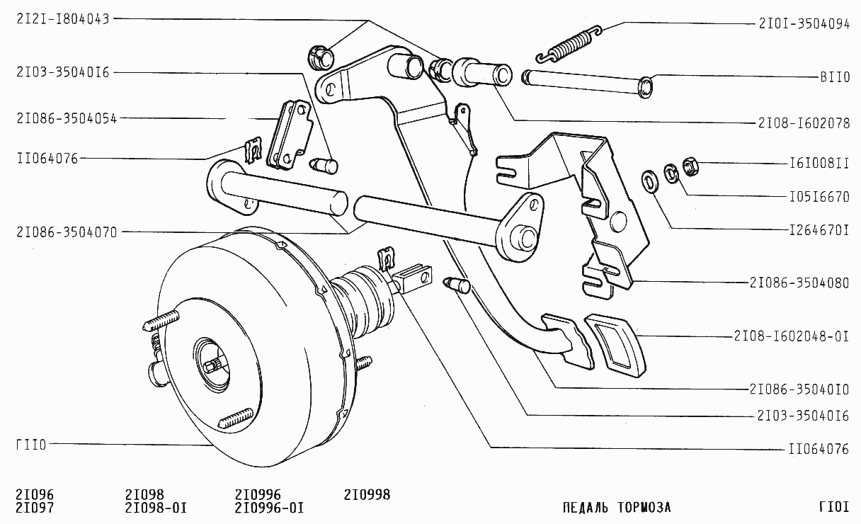
Педаль тормоза
| Метка | Каталожный номер | Наименование детали | Наличие | |||||||||||||||||
|---|---|---|---|---|---|---|---|---|---|---|---|---|---|---|---|---|---|---|---|---|
| 11064076 | 11064076 | Скоба 8 стопорная | ||||||||||||||||||
|
||||||||||||||||||||
| 11064076 | 11064076 | Скоба 8 стопорная | ||||||||||||||||||
|
||||||||||||||||||||
| 2121-1804043 | 2121-1804043 | Втулка | ||||||||||||||||||
|
||||||||||||||||||||

