Торговая марка
основана в 1994 году

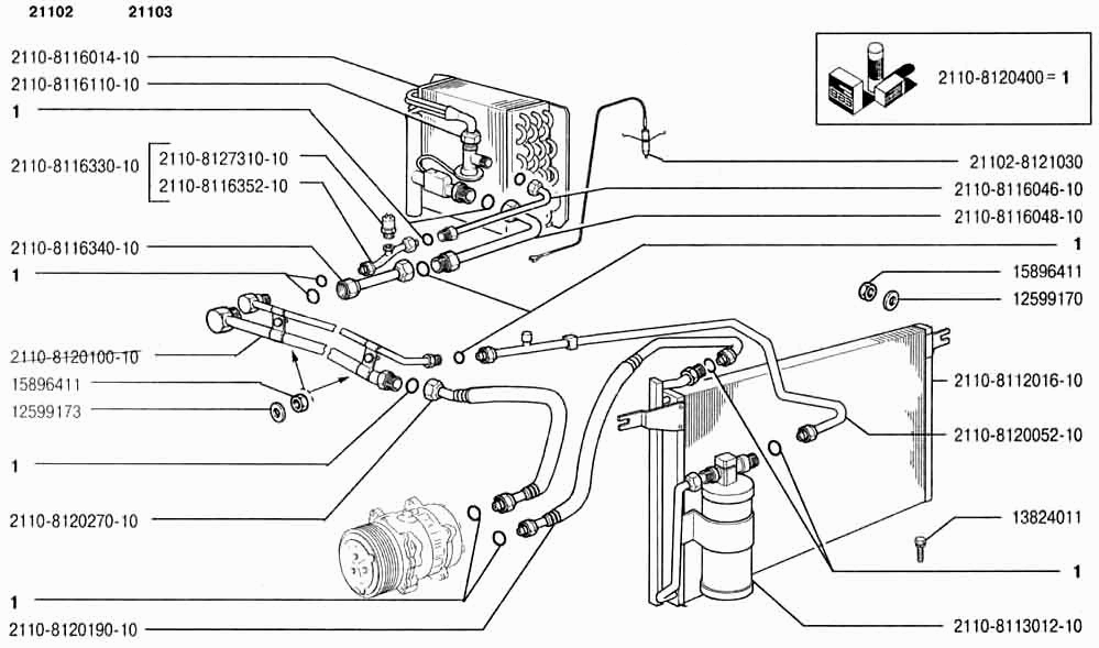
Система кондиционирования воздуха (14)

Система кондиционирования воздуха (14)