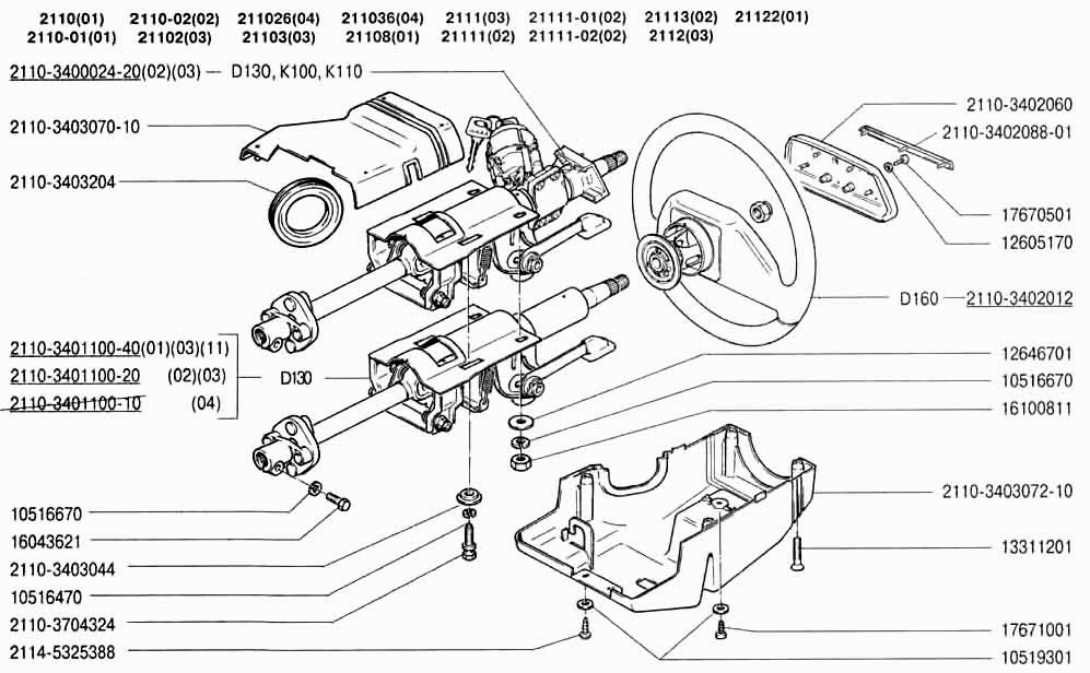
Колонка рулевая
| Метка | Каталожный номер | Наименование детали | Наличие | |||||||||||||||||||||||||||||||||||||||||
|---|---|---|---|---|---|---|---|---|---|---|---|---|---|---|---|---|---|---|---|---|---|---|---|---|---|---|---|---|---|---|---|---|---|---|---|---|---|---|---|---|---|---|---|---|
| 2110-3402012 | 2110-3402012 | Колесо рулевое в сборе | ||||||||||||||||||||||||||||||||||||||||||
|
||||||||||||||||||||||||||||||||||||||||||||
| 2110-3402088-01 | 2110-3402088-01 | Символ крышки сигнала | ||||||||||||||||||||||||||||||||||||||||||
|
||||||||||||||||||||||||||||||||||||||||||||
| 2110-3403070-10 | 2110-3403070-10 | Кожух верхний | ||||||||||||||||||||||||||||||||||||||||||
|
||||||||||||||||||||||||||||||||||||||||||||
| 2110-3403204 | 2110-3403204 | Кольцо уплотнительное | ||||||||||||||||||||||||||||||||||||||||||
|
||||||||||||||||||||||||||||||||||||||||||||
| 2110-3704324 | 2110-3704324 | Болт | ||||||||||||||||||||||||||||||||||||||||||
|
||||||||||||||||||||||||||||||||||||||||||||
