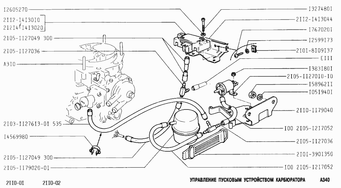
Управление пусковым устройством карбюратора
| Метка | Каталожный номер | Наименование детали | Наличие | |||||||||||||||||||
|---|---|---|---|---|---|---|---|---|---|---|---|---|---|---|---|---|---|---|---|---|---|---|
| 13831801 | 13831801 | Гайка М5 с зубчатым буртиком | ||||||||||||||||||||
|
||||||||||||||||||||||
| 2101-3901350 | 2101-3901350 | Ремень | ||||||||||||||||||||
|
||||||||||||||||||||||
| 2105-1127010-10 | 2105-1127010-10 | Клапан электромагнитный | ||||||||||||||||||||
|
||||||||||||||||||||||
