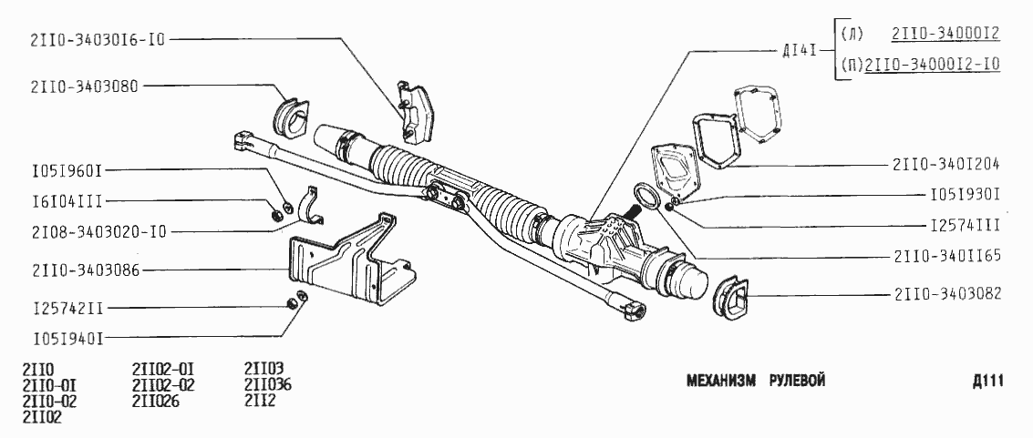
Механизм рулевой
| Метка | Каталожный номер | Наименование детали | Наличие | |||||||||||||||||
|---|---|---|---|---|---|---|---|---|---|---|---|---|---|---|---|---|---|---|---|---|
| 2108-3403020-10 | 2108-3403020-10 | Скоба | ||||||||||||||||||
|
||||||||||||||||||||
| 2110-3400012 | 2110-3400012 | Рулевой механизм в сборе | ||||||||||||||||||
|
||||||||||||||||||||
| 2110-3400012-10 | 2110-3400012-10 | Рулевой механизм в сборе | ||||||||||||||||||
|
||||||||||||||||||||
| 2110-3403080 | 2110-3403080 | Опора правая | ||||||||||||||||||
|
||||||||||||||||||||
| 2110-3403082 | 2110-3403082 | Опора левая | ||||||||||||||||||
|
||||||||||||||||||||
| 2110-3403086 | 2110-3403086 | Кожух защитный | ||||||||||||||||||
|
||||||||||||||||||||



