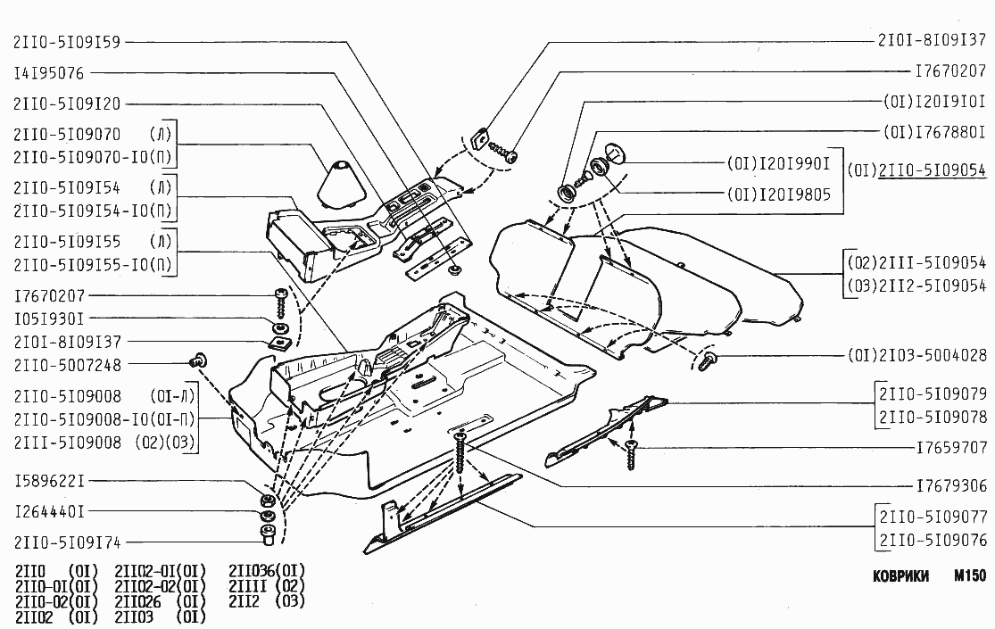
Коврики
| Метка | Каталожный номер | Наименование детали | Наличие | |||||||||||||||||||||||||||||||||||||
|---|---|---|---|---|---|---|---|---|---|---|---|---|---|---|---|---|---|---|---|---|---|---|---|---|---|---|---|---|---|---|---|---|---|---|---|---|---|---|---|---|
| 2103-5004028 | 2103-5004028 | Кнопка | ||||||||||||||||||||||||||||||||||||||
|
||||||||||||||||||||||||||||||||||||||||
| 2110-5007248 | 2110-5007248 | Пистон | ||||||||||||||||||||||||||||||||||||||
|
||||||||||||||||||||||||||||||||||||||||
| 2110-5109008 | 2110-5109008 | Коврик пола | ||||||||||||||||||||||||||||||||||||||
|
||||||||||||||||||||||||||||||||||||||||
| 2110-5109008-10 | 2110-5109008-10 | Коврик пола | ||||||||||||||||||||||||||||||||||||||
|
||||||||||||||||||||||||||||||||||||||||
| 2110-5109070 | 2110-5109070 | Чехол | ||||||||||||||||||||||||||||||||||||||
|
||||||||||||||||||||||||||||||||||||||||
| 2110-5109070-10 | 2110-5109070-10 | Чехол | ||||||||||||||||||||||||||||||||||||||
|
||||||||||||||||||||||||||||||||||||||||
| 2110-5109079 | 2110-5109079 | Облицовка задняя левая | ||||||||||||||||||||||||||||||||||||||
|
||||||||||||||||||||||||||||||||||||||||
