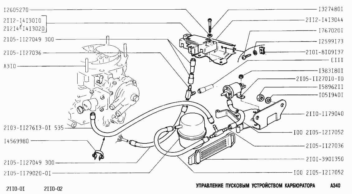
Управление пусковым устройством карбюратора
| Метка | Каталожный номер | Наименование детали | Наличие | |||||||||||||||||
|---|---|---|---|---|---|---|---|---|---|---|---|---|---|---|---|---|---|---|---|---|
| 13831801 | 13831801 | Гайка М5 с зубчатым буртиком | ||||||||||||||||||
|
||||||||||||||||||||
| 2101-3901350 | 2101-3901350 | Ремень | ||||||||||||||||||
|
||||||||||||||||||||
| 2105-1127010-10 | 2105-1127010-10 | Клапан электромагнитный | ||||||||||||||||||
|
||||||||||||||||||||

