Трубопроводы топливные
| Метка | Каталожный номер | Наименование детали | Наличие | ||||||||||||||||||||||||||||
|---|---|---|---|---|---|---|---|---|---|---|---|---|---|---|---|---|---|---|---|---|---|---|---|---|---|---|---|---|---|---|---|
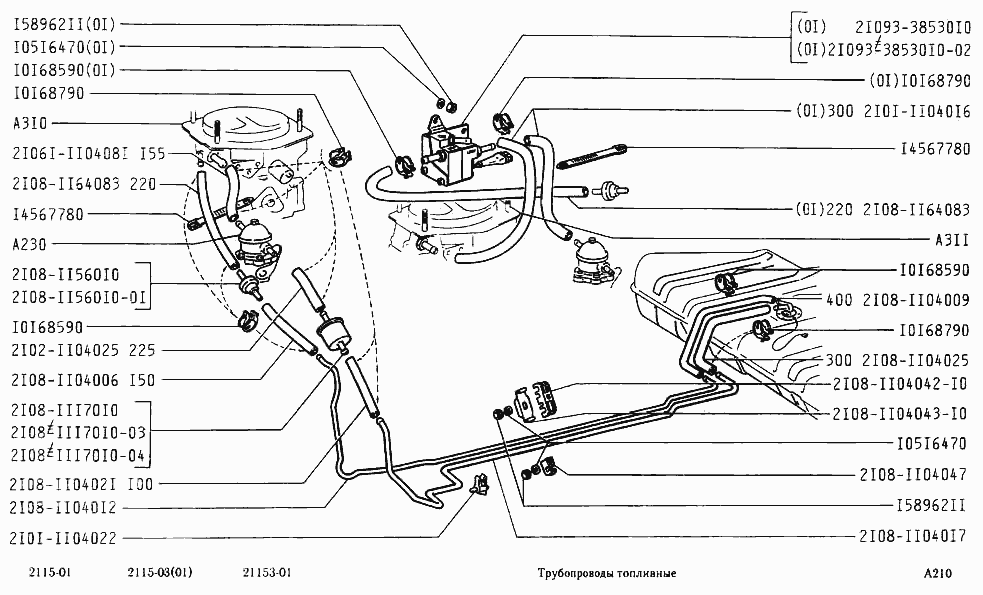
| 10168590 | 10168590 | Хомут | |||||||||||||||||||||||||||||
|
|||||||||||||||||||||||||||||||
| 10168590 | 10168590 | Хомут | |||||||||||||||||||||||||||||
|
|||||||||||||||||||||||||||||||
| 10168590 | 10168590 | Хомут | |||||||||||||||||||||||||||||
|
|||||||||||||||||||||||||||||||
| 2108-1104012 | 2108-1104012 | Трубка сливная | |||||||||||||||||||||||||||||
|
|||||||||||||||||||||||||||||||
| 2108-1104017 | 2108-1104017 | Трубка | |||||||||||||||||||||||||||||
|
|||||||||||||||||||||||||||||||
| 2108-1104047 | 2108-1104047 | Скоба | |||||||||||||||||||||||||||||
|
|||||||||||||||||||||||||||||||
| 2108-1156010 | 2108-1156010 | Клапан топливный | |||||||||||||||||||||||||||||
|
|||||||||||||||||||||||||||||||
| 2108-1156010-01 | 2108-1156010-01 | Клапан обратный | |||||||||||||||||||||||||||||
|
|||||||||||||||||||||||||||||||


