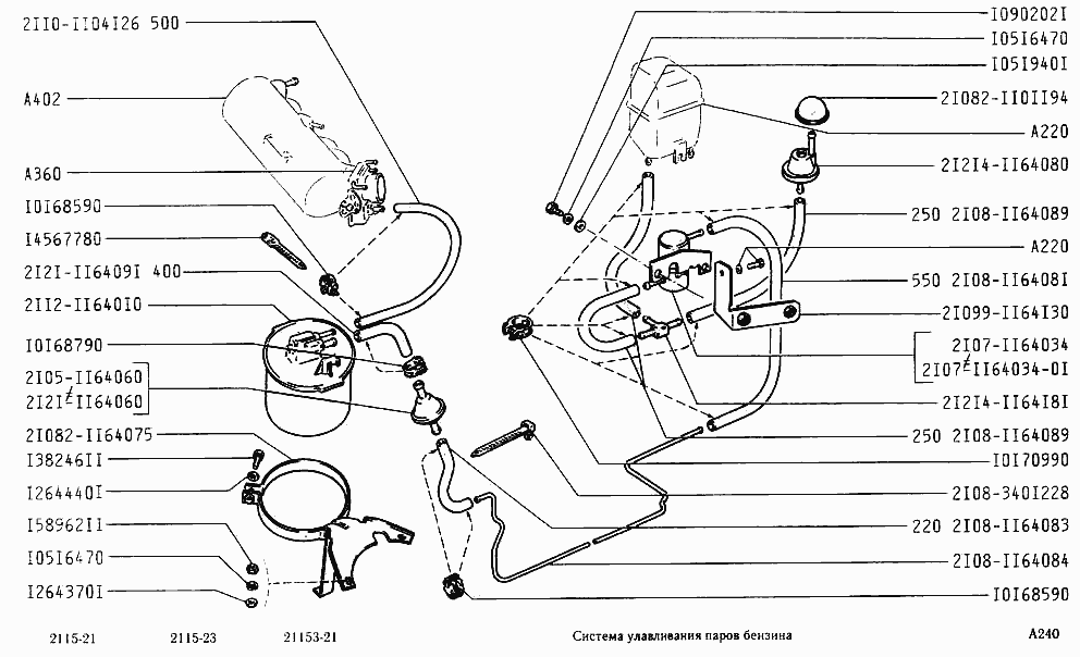
Система улавливания паров бензина
| Метка | Каталожный номер | Наименование детали | Наличие | |||||||||||||||||||
|---|---|---|---|---|---|---|---|---|---|---|---|---|---|---|---|---|---|---|---|---|---|---|
| 10168590 | 10168590 | Хомут | ||||||||||||||||||||
|
||||||||||||||||||||||
| 10168590 | 10168590 | Хомут | ||||||||||||||||||||
|
||||||||||||||||||||||
| 2105-1164060 | 2105-1164060 | Клапан бензобака | ||||||||||||||||||||
|
||||||||||||||||||||||
| 2107-1164034 | 2107-1164034 | Клапан гравитационный | ||||||||||||||||||||
|
||||||||||||||||||||||
| 2107-1164034-01 | 2107-1164034-01 | Клапан гравитационный | ||||||||||||||||||||
|
||||||||||||||||||||||
| 21082-1164075 | 21082-1164075 | Кронштейн | ||||||||||||||||||||
|
||||||||||||||||||||||

