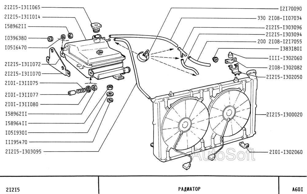
Радиатор
| Метка | Каталожный номер | Наименование детали | Наличие | |||||||||||||||||
|---|---|---|---|---|---|---|---|---|---|---|---|---|---|---|---|---|---|---|---|---|
| 13831801 | 13831801 | Гайка М5 с зубчатым буртиком | ||||||||||||||||||
|
||||||||||||||||||||
| 2101-1302060 | 2101-1302060 | Опора радиатора | ||||||||||||||||||
|
||||||||||||||||||||
| 2108-1302082 | 2108-1302082 | Скоба | ||||||||||||||||||
|
||||||||||||||||||||

