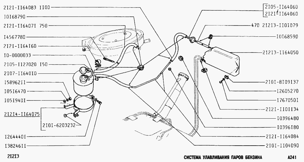
Система улавливания паров бензина
| Метка | Каталожный номер | Наименование детали | Наличие | |||||||||||||||||
|---|---|---|---|---|---|---|---|---|---|---|---|---|---|---|---|---|---|---|---|---|
| 10168590 | 10168590 | Хомут | ||||||||||||||||||
|
||||||||||||||||||||
| 2101-1104090 | 2101-1104090 | Шланг | ||||||||||||||||||
|
||||||||||||||||||||
| 2101-6203232 | 2101-6203232 | Буфер | ||||||||||||||||||
|
||||||||||||||||||||
| 2105-1164060 | 2105-1164060 | Клапан бензобака | ||||||||||||||||||
|
||||||||||||||||||||
| 21213-1164050 | 21213-1164050 | Сепаратор | ||||||||||||||||||
|
||||||||||||||||||||

