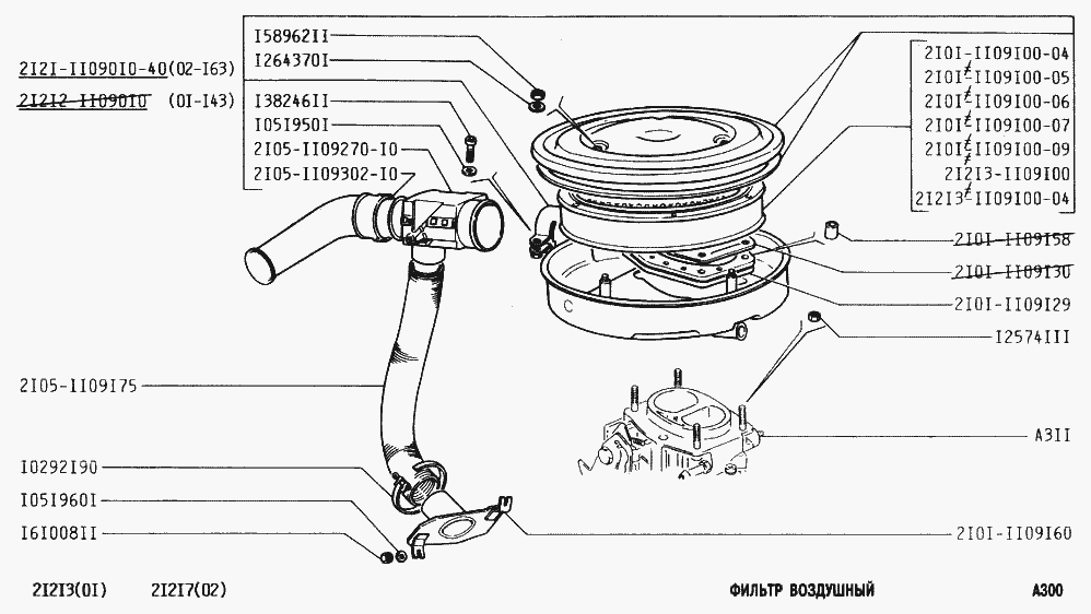
Фильтр воздушный
| Метка | Каталожный номер | Наименование детали | Наличие | |||||||||||||||||
|---|---|---|---|---|---|---|---|---|---|---|---|---|---|---|---|---|---|---|---|---|
| 2101-1109129 | 2101-1109129 | Прокладка фильтра | ||||||||||||||||||
|
||||||||||||||||||||
| 2101-1109130 | 2101-1109130 | Пластина | ||||||||||||||||||
|
||||||||||||||||||||
| 2101-1109158 | 2101-1109158 | Втулка дистанционная | ||||||||||||||||||
|
||||||||||||||||||||
| 2101-1109160 | 2101-1109160 | Воздухозаборник | ||||||||||||||||||
|
||||||||||||||||||||
| 2105-1109270-10 | 2105-1109270-10 | Терморегулятор | ||||||||||||||||||
|
||||||||||||||||||||


